No products in the cart.
$0.00
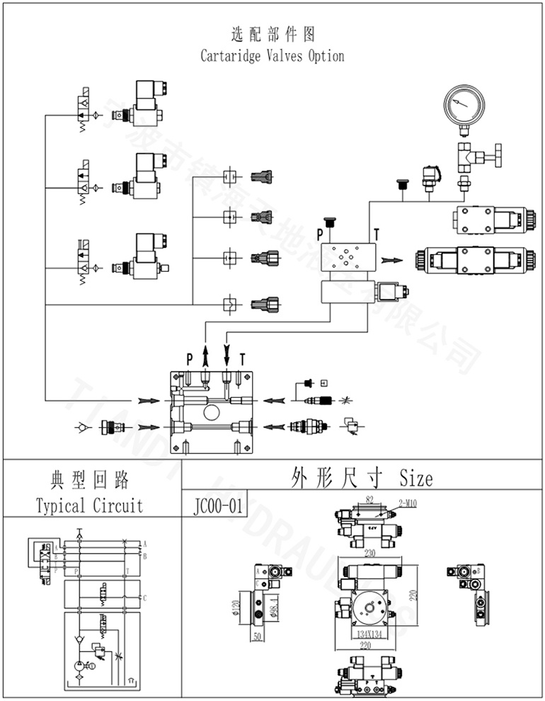
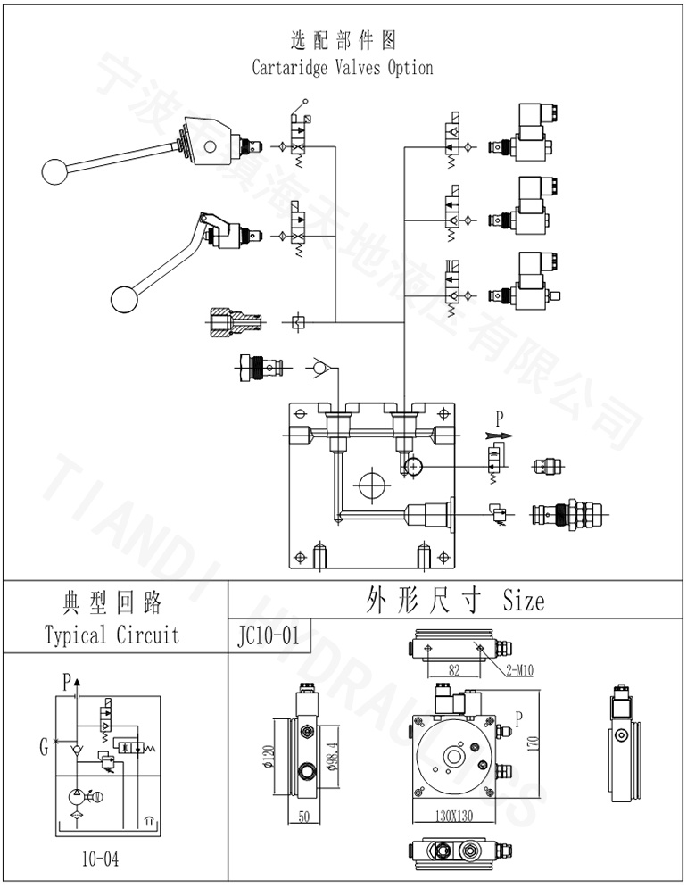
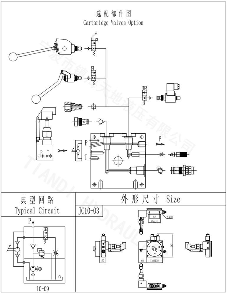
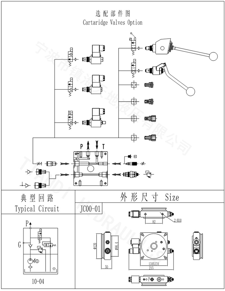
The center valve block of the power unit is made of aluminum alloy 6061-T6, which can be designed and manufactured according to the hydraulic schematic diagram of customers.
Send