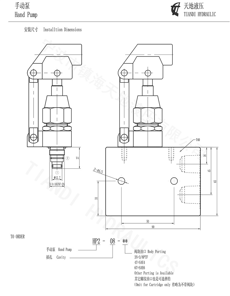
HP2-08/HP3-08/HP-10 hand pump
$0.00
HP2-08: hand pump: adopts 08-2 socket. Absorb oil from port ① and drain oil from port ②. The displacement is 8.8 CC.
HP3-08: hand pump: adopts 08-2 socket. Absorb oil from port ② and drain oil from port ①. The displacement is 6.0 CC.
HP -10: hand pump: adopts 10-2 socket. Absorb oil from port ② and drain oil from port ①. The displacement is 10 CC.






DC power unit & hand pump
DC power unit
AC hydraulic station
Platform power unit
AC power unit
25CC/45CC double action hand p...
25CC/45CC single action hand p...
25CC double-plunger hand pump
20CC single action hand pump
6CC single action hand pump
Hydraulic system circuit block
Power unit center block
Cartridge valve
Flow control valve
Solenoid directional valve
DC motor
Gear pump